
Complete wastewater, sewage, seawater, and leachate treatment solutions — from small-scale KLD to large MLD capacity plants. Pioneering ZLD technology with MVR, ATFD, and advanced membrane systems.
Today, the world is facing an escalating challenge — the crisis of clean and sustainable water. In this global pursuit of sustainability, Vinayak Enterprise plays a vital role — offering a complete range of innovative, state-of-the-art water and wastewater management solutions, engineered to meet the diverse needs of industries across India, the Asia-Pacific, and the Middle East.
Founded with a vision to redefine industrial water management, we provide end-to-end turnkey solutions for water treatment, effluent treatment, sewage management, and zero liquid discharge (ZLD) systems. Our advanced technologies and energy-efficient designs ensure high performance, reliability, and cost-effectiveness.
Led by Bhaviksinh Zala (B.E-Envi, B.E-Elect., DEE), our team brings 15+ years of deep expertise from Reliance Industries Limited, Jamnagar — one of the world's largest refinery complexes — covering GTL separation, utility operations, and advanced process engineering.

At Vinayak Enterprise, we believe that managing water responsibly is not just about treatment — it's about securing the future, sustaining growth, and creating a cleaner planet.
Complete expertise for every water challenge — from design to delivery. Single-source accountability for projects, spares, chemicals, and services.
A stable, growth-driven company with zero external debt. Our financial strength ensures project continuity and long-term client partnerships.
Recognized by leading industries and consultants worldwide. Cross-border project experience spanning India, Asia-Pacific, Middle East, and Africa.
From turnkey EPC projects to spare parts supply and comprehensive O&M services — a single source for all your water treatment needs.
From small KLD systems to large MLD capacity plants — we engineer solutions for every type of water challenge.
ETP for pharmaceutical, textile, chemical, food & beverage, petrochemical, and manufacturing industries. High COD/BOD treatment.
STP for residential complexes, townships, municipalities, and commercial buildings. MBR-based compact designs.
SWRO plants with ERD for coastal industries, islands, and defence installations. From 10 KLD to 100 MLD.
Landfill leachate treatment with DTRO, MBR, and evaporation technology for complete remediation.
Specialized treatment for distillery, dairy, pulp & paper, and sugar industry wastewater with UASB + aerobic systems.
Plasma reactor-based advanced oxidation for solvent removal from pharmaceutical and chemical effluents.
State-of-the-art process technologies for every wastewater challenge — from biological treatment to advanced membrane separation.

High-rate anaerobic treatment for high-strength organic wastewater. The UASB reactor uses granular sludge to achieve COD removal efficiencies of 80-90% while producing biogas for energy recovery. Ideal for distillery, dairy, pulp & paper, and food processing effluents.
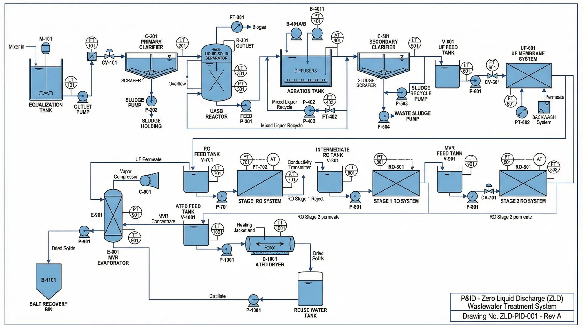
Complete ZLD solutions from concentration to crystallization — achieving true zero discharge with salt recovery and water reuse.


Energy-efficient falling film evaporator with vapor compressor. Reduces steam consumption by 90% compared to conventional MEE. Concentrates RO reject to 200,000+ mg/L TDS.
Capacity: 1-500 m³/hr | GOR: 30-50 | Power: 15-25 kWh/m³

Converts concentrated brine to dry salt/solids with <5% moisture. Hinged blade rotor creates thin film on heated wall for rapid evaporation. Handles viscous, scaling, and crystallizing feeds.
Moisture: <5% | Capacity: 0.5-20 TPH | Heat Source: Steam/Thermic Oil

Twin-shaft hollow paddle dryer for sludge drying and volume reduction. Indirect heating ensures no air pollution. Reduces sludge volume by 80-90% for safe disposal.
Volume Reduction: 80-90% | Capacity: 1-50 TPH | Drying Temp: 120-180°C

Non-thermal plasma technology for destruction of recalcitrant organic solvents in wastewater. Generates hydroxyl radicals and ozone for complete mineralization of VOCs and solvents.
VOC Removal: >99% | Energy: 5-15 kWh/m³ | No Chemical Addition

Multi-stage falling film evaporator system for large-scale wastewater concentration. Multiple effects in series maximize steam economy. Ideal for high-volume RO reject concentration before crystallization in ZLD plants.
Effects: 3-7 stages | GOR: 5-12 | Capacity: 5-500 m³/hr | Steam: 0.3-0.5 kg/kg

Compact dual-channel electrical evaporator for small to medium ZLD applications. Two parallel evaporation chambers with electrical heating elements provide precise temperature control. Energy-efficient heat recovery and condensate reuse.
Capacity: 0.5-50 m³/hr | Power: 20-35 kWh/m³ | Concentration: Up to 250,000 TDS

Top-entry, side-entry, and submersible mixers for equalization, flash mixing, flocculation, and anoxic zones. Custom impeller design for optimal mixing.

Complete odor control with wet chemical scrubbers, activated carbon adsorption, and bio-filters. Enclosed collection systems for H₂S, NH₃, and VOC removal.

Large-scale SWRO desalination with pressure exchanger ERD for 50-60% energy savings. From coastal industries to island communities.

Ultra High Purity water systems for aerospace, semiconductor, and pharmaceutical applications. Resistivity >18.2 MΩ·cm, TOC <5 ppb, meeting ASTM Type I & II standards.

Comprehensive landfill leachate treatment combining UASB, SBR, MBR, NF, and DTRO for complete remediation meeting discharge norms.

Advanced non-thermal plasma oxidation for destruction of recalcitrant solvents, pesticides, and pharmaceutical residues in wastewater.

Mixed bed and separate bed ion exchange systems for demineralization, softening, and selective ion removal. Regenerable resin columns with automatic regeneration for continuous operation. Used in boiler feed, process water, and condensate polishing.

Combination of UV, ozone, H₂O₂, and Fenton's reagent for destruction of non-biodegradable organics. Generates hydroxyl radicals (OH·) for complete mineralization of persistent pollutants, pharmaceuticals, and endocrine disruptors.

Fully automated PLC/SCADA-controlled packaged drinking water plant. BIS IS:10500 compliant with multimedia filter, ACF, softener, RO, UV, ozone, and mineral dosing. Automatic bottle filling line integration available.

Aeration, oxidation, and filtration-based iron and manganese removal systems. Greensand, DMI-65, and catalytic media options for groundwater treatment. Automatic backwash with PLC control.

High-rate clarification with inclined plate/tube settlers for enhanced sedimentation. Compact footprint with 4-6x higher surface loading than conventional clarifiers. Ideal for ETP/STP tertiary treatment.

Hydraulic filter press and belt filter press for mechanical sludge dewatering. Achieves 25-40% dry solids from biological and chemical sludge. Automatic plate shifting and cloth washing systems.

Continuous belt-type oil skimmer for removal of floating oils, grease, and hydrocarbons from wastewater. Stainless steel or polymer belt options for various temperature and chemical conditions.
From large-scale municipal MLD projects to rapid-deployment modular pre-fabricated systems — scalable solutions for every requirement.

Complete design, engineering, and SITC of large-scale wastewater and sewage treatment plants from 1 MLD to 100+ MLD capacity. Turnkey execution including civil, mechanical, electrical, instrumentation, and SCADA integration for municipal corporations, industrial estates, and CETPs.

Factory-built, pre-commissioned containerized treatment plants in 20ft and 40ft ISO shipping containers. Rapid deployment with minimal civil works. Each module houses a complete treatment stage — screening, biological treatment, MBR, RO, and sludge handling. Ideal for remote locations, temporary camps, and fast-track projects.
From initial consultation to final commissioning — a systematic engineering approach for every project.
Site visit, effluent characterization, and requirement analysis
Technology selection, mass balance, P&ID, and GA drawings
In-house fabrication with quality control and FAT
Logistics management and safe delivery to site
Civil, mechanical, electrical, and instrumentation works
Testing, trial runs, performance guarantee, and handover
From small KLD residential systems to large MLD industrial plants — tailored solutions for every industry segment.
API, formulation, and bulk drug manufacturing effluent treatment
Color removal, high COD/BOD treatment, and water recycling
Solvent recovery, heavy metal removal, and ZLD systems
High organic load treatment with biogas recovery
Biomedical waste water treatment and safe discharge
Compact STP with treated water reuse for gardening
Green building compliant STP with water recycling
Compact packaged STP for individual and group housing
Containerized mobile WTP/STP for field operations
UHP Type I & II water for manufacturing and testing
High-strength wastewater with UASB and biogas
Black liquor treatment and fiber recovery systems
Cooling tower blowdown, ash pond water treatment
Large-scale MLD capacity plants for urban bodies
Whey treatment, CIP water recovery, and ZLD
Oil-water separation, heavy metal removal, and recycling
Produced water treatment, refinery effluent, and GTL separation
Nitrogen-rich wastewater, pesticide effluent, and water recycling
Compact STP with water reuse for landscaping and laundry
Campus STP, rainwater harvesting, and water recycling systems
Recognized as a trusted partner by leading industries and municipalities across India, Asia-Pacific, and the Middle East.
Accurate
Chanak
Akshar Spintex Limited
Alltech
Amartara The Resort
Arnea Biodome Pvt Ltd
Envisol (Arvind)
AEC
Avsar Chloratech
Balson Polyplast Pvt Ltd
B.B. Investment Casting
Bombay Ortho Industries
ChemieGel
CIE Automotive
Drawel Wires Pvt Ltd
Jay Dwarkadhish Spintex
First Shine
Everest
Reliance Industries
Tata Group
Adani Group
Torrent Pharma
Zydus Cadila
Sun Pharma
Real-world projects demonstrating our engineering capabilities across diverse industries and scales.

High COD (15,000 mg/L) with API residues and solvents. Stringent ZLD norms with salt recovery requirement.
Integrated DAF pre-treatment, MBR biological treatment, double-pass RO, MVR evaporator, and ATFD for complete ZLD. Plasma reactor for solvent destruction.
Bungalows, Villas, Clinics, Small Offices
Hospitals, Hotels, Residential Complexes, SMEs
Industries, Corporate Parks, Townships
Municipal STPs, CETPs, Desalination Plants
Whether you need a small KLD system for your residence or a large MLD plant for your industry, our engineering team is ready to design the optimal solution. Contact us for a free consultation and techno-commercial proposal.